目录
目录
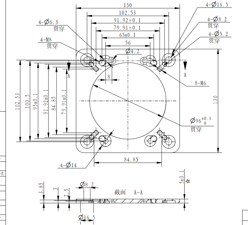
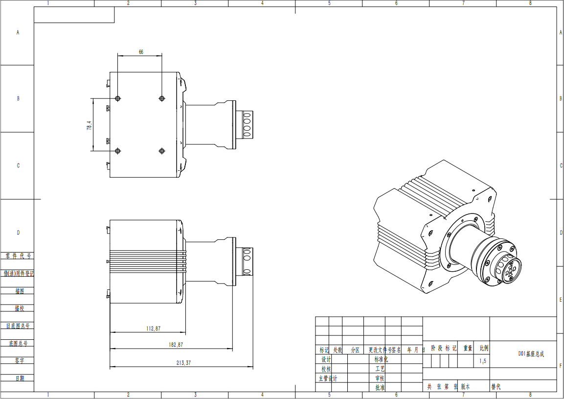
一、基座
1. R16和R21基座底部安装尺寸

2. R16和R21基座显示屏安装尺寸

3. R5基座底部安装孔尺寸

4. R5基座屏幕安装孔尺寸

5. R9基座底部安装孔尺寸

6. R9基座屏幕安装孔尺寸

7. R12基座屏幕安装孔尺寸

8. R12基座底部安装孔尺寸

9. R3基座屏幕安装孔尺寸

10. R3基座底部安装孔尺寸

11. R21 Ultra基座安装孔尺寸

12. R25 Ultra基座安装孔尺寸

二、方向盘
1. ES方向盘快拆固定尺寸
2. 70mm孔距快拆尺寸

3. 55mm孔距快拆尺寸

三、踏板
1. CRP踏板安装尺寸
2. CRP踏板与成品支架安装尺寸

3. CRP踏板与铝型材支架安装尺寸

4. SRP踏板与成品支架安装尺寸

5. SRP Lite踏板与型材支架安装尺寸

6. SRP踏板和SRP Lite踏板安装尺寸

6. CRP2踏板安装尺寸

6. mBooster底板&踏板孔位图


四、显示屏
1. CM显示屏安装尺寸
五、附件
1. 基座侧面支架安装尺寸
2. 底面固定支架桌面夹上部安装尺寸
3. 桌面夹夹持部件安装尺寸
4. R5桌面夹固定孔安装尺寸
5. 4孔转3孔转接板安装尺寸
6. 4孔转4孔安装尺寸
7. 基座伸长杆安装尺寸
8. HBP手刹安装尺寸

9. HGP换挡器安装尺寸
10. 急停开关安装尺寸

11.Handbrake or Shifter支架安装尺寸

变更:新增SGP排挡孔位适配

12.Specififications & Dimensions 规格尺寸图

13.卡车坐姿桌面夹 规格尺寸图


六、飞行模拟器尺寸孔位图
1. AB9基座底部&T型凹槽孔位图


(T型凹槽孔位)
2. AY210基座尺寸孔位图

3. MTP油门推杆尺寸孔位图

4.AB9桌面支架孔位图
