1. Wheel Base
1.1 Bottom mounting dimensions of R16 and R21 Bases

1.2 R16 and R21 Base display installation dimensions

1.3 Mounting hole dimensions at the bottom of the R5 Base

1.4 R5 Base screen mounting hole size

1.5 Mounting hole dimensions at the bottom of the R9 Base

1.6 R9 Base screen mounting hole size

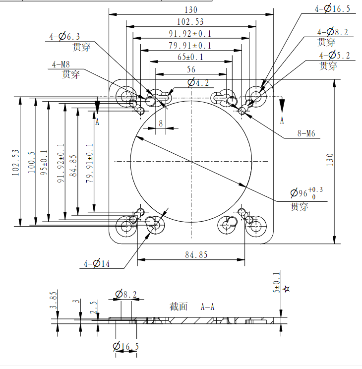
1.7 R12 Base screen mounting hole size

1.8 Mounting hole dimensions at the bottom of the R12 Base


1.10 R25 Ultra Base Mounting Hole Diagram

2. Steering Wheel
2.1 ES Steering Wheel quick release fixed size

2.2 70mm hole distance quick release dimension drawing
2.3 55mm hole distance quick release dimension drawing
3. Pedals
3.1 CRP Pedals installation dimensions

3.2 CRP Pedals and Finished Brackets Mounting Dimensions
3.3 CRP Pedals and Aluminum profile bracket installation dimensions
3.4 CRP Pedals and Aluminum profile bracket installation dimensions
3.5 SRP Pedals and profile bracket installation dimensions

6. CRP2 Pedals and profile bracket installation dimensions

6. mBooster Active Pedal Mounting Hole Diagram
6. mBooster 主动踏板安装孔位图


4. Digital Dash
4.1 CM Digital Dash installation size

5. Appurtenance
5.1 Wheel Base side bracket installation dimensions

5.2 Bottom fixing bracket desktop clip upper installation dimension drawing

5.3 Dimensional drawing of table clamp clamping part installation

5.4 R5 Desktop clip fixing hole installation dimensions

5.5 4-hole to 3-hole adapter plate installation dimensions

5.6 4-hole to 4-hole installation dimensions

5.7 Installation dimension drawing of Base Extension Rod

5.8 Installation dimension drawing of HBP Handbrake


5.9 Installation dimension drawing of HGP Shifter

5.10 Installation dimension drawing of E-Stop Switch
5.11 installation dimension of table mount for handbrake and shifter

Changes:Added SGP gearshift hole adaptation

5.12 Specififications & Dimensions
5.13 Installation dimension drawing of Truck Seating Desk Clip
5.13 卡车座椅桌夹安装尺寸图

5.14 Multi-function Stalks Third-party Adapter Plate Dimensions